School Lecture Study/컴퓨터 통신

15. 스위칭과 포워딩 (Switching and Forwarding)

vㅔ로 2022. 12. 27. 20:54
728x90

확장성 있는 네트워크 (Scalable Networks)

  • 현실적으로 중간 연결자가 필요하다 (연결 한계가 존재하므로)
  • 교환기
    • 입력 포트에서 출력 포트로 패킷을 보낸다.
    • 출력 포트는 패킷 헤더의 목적지 주소에 기초해서 선택됨
  • 지리적으로 광범위한 네트워크 구성 가능
  • 많은 수의 호스트를 지원하는 네트워크 구성 가능
  • 기존 호스트들의 성능에 영향을 주지 않고 새로운 호스트 추가 가능 (스위치 용량의 한도 내에서만)

데이터그램 (Datagrams)

  • 연결 설정 단계가 없다.
  • 각각의 패킷은 독립적으로 포워드
    • 단지 주소를 보고 주소로 가는 길로 간다.
    • 항상 동일한 경로를 갖지는 않는다.
    • 상황 정보를 보고 다른 경로로 갈 수도 있다.
  • 우편 시스템과 유사한 형태
  • 비연결성 (connectionless) 모델이라고도 불림
    • 3 / 4 계층에서도 connectionless 방식 존재
    • 별도의 사전 작업 (setup) 없이 동작
  • 각 스위치는 포워딩(라우팅) 테이블을 유지
    • 목적지 주소를 읽고 내보낼 포트를 정리한 테이블이 필요하다.
    • 테이블이 매우 길 수 밖에 없다.
    • 매번 port로 보내기 전에 읽는다.

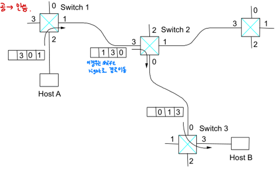
가상회선 스위칭 (Virtual Circuit Switching)

  • 패킷 방식인데 circuit 처럼 동작
  • 명시적인 연결 설정 및 해지 과정
  • 전화와 유사한 형태
  • 연결성 (connection-oriented) 모델이라고도 불림
  • 각 스위치는 가상회선 테이블을 유지한다.
    • entry 주소는 unique하다. (실제 주소 X)
    • virtual circuit number와 output port number를 저장한다.
    • 연결 설정시 생기고, 연결 해지시 사라진다.

가상회선 대 데이터그램

  • circuit 방식은 QS가 일정하다.
  • 패킷 방식은 QS 일정 X
  • 의외로 장애가 굉장히 자주 발생한다. 장애가 발생할 때 stateful은 구축한 상태 정보가 오히려 메모리 부담이 된다. 안정된 상황에서는 나쁘지 않지만, 동적 환경에서는 오히려 독이 된다.
  • stateless : 상태 정보를 저장하지 않는 방법 (IP internet이 사용)
  • soft state : 상태는 저장하되 일정 시간이 지나도 안 쓰면 삭제한다.

소스 라우팅 (Source Routing)

  • 주소는 발신지로부터 목적지까지 경로의 포트 번호를 포함하고 있다.
  • 경로를 전송하는 방식
  • 수신자 - 발신자가 전송 책임을 갖는다.
  • 인터넷의 옵션으로 제공하지만 실제로 사용하진 않는다.

스위치 성능

  • 스위치는 범용 워크스테이션으로 만들 수 있다. 특수 목적 하드웨어로 만들지 여부는 차후에 고려한다.
  • 총 대역폭 (Aggregate bandwidth)
    • I/O 버스 대역폭의 1 / 2
    • 용량은 스위치에 연결된 모든 호스트에서 공유된다.
      • 800Mbps 버스는 100Mbps 포트 4개를 지원할 수 있다.
  • 초당 처리할 수 있는 패킷 수
    • 스위치의 패킷 처리 능력 (단위 시간당)
      • pps (packet per second) - 패킷 크기에 영향 받는다.
    • 초당 15000 - 100000 패킷 정도
    • Ex. 64-byte 패킷이라면 7.69 - 512.Mbps를 의미한다.
    • 작은 패킷을 스위치하는 경우 성능을 결정하는 요소가 된다.
      • CPU interrupt 실행 시간에는 차이가 있다.
  • 스위치의 병목 지점
    1. I/O 버스
    2. 초당 처리할 수 있는 패킷 수

728x90

'School Lecture Study > 컴퓨터 통신' 카테고리의 다른 글

17. 셀 스위칭 (Cell Switching): ATM  (0) 2022.12.27
16. 브리지(Bridge) 및 LAN 스위치  (0) 2022.12.27
14. 네트워크 어댑터  (0) 2022.12.20
13. 무선 LAN  (2) 2022.12.20
12. 토큰링 (802.5, FDDI)  (0) 2022.12.20