728x90
확장성 있는 네트워크 (Scalable Networks)
- 현실적으로 중간 연결자가 필요하다 (연결 한계가 존재하므로)
- 교환기
- 입력 포트에서 출력 포트로 패킷을 보낸다.
- 출력 포트는 패킷 헤더의 목적지 주소에 기초해서 선택됨
- 지리적으로 광범위한 네트워크 구성 가능
- 많은 수의 호스트를 지원하는 네트워크 구성 가능
- 기존 호스트들의 성능에 영향을 주지 않고 새로운 호스트 추가 가능 (스위치 용량의 한도 내에서만)


데이터그램 (Datagrams)
- 연결 설정 단계가 없다.
- 각각의 패킷은 독립적으로 포워드
- 단지 주소를 보고 주소로 가는 길로 간다.
- 항상 동일한 경로를 갖지는 않는다.
- 상황 정보를 보고 다른 경로로 갈 수도 있다.
- 우편 시스템과 유사한 형태
- 비연결성 (connectionless) 모델이라고도 불림
- 3 / 4 계층에서도 connectionless 방식 존재
- 별도의 사전 작업 (setup) 없이 동작
- 각 스위치는 포워딩(라우팅) 테이블을 유지
- 목적지 주소를 읽고 내보낼 포트를 정리한 테이블이 필요하다.
- 테이블이 매우 길 수 밖에 없다.
- 매번 port로 보내기 전에 읽는다.
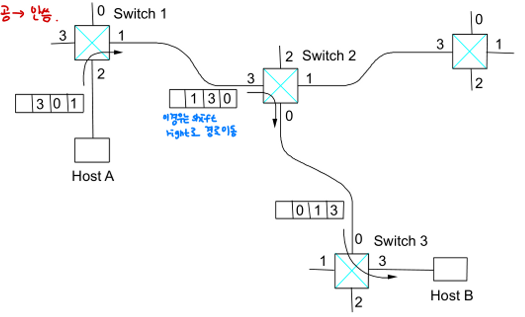
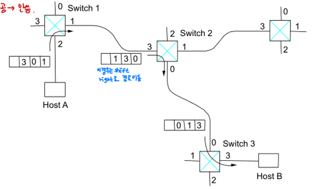
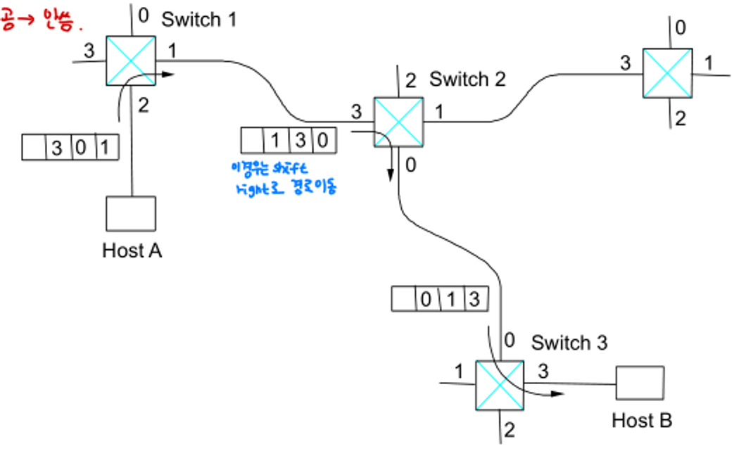
가상회선 스위칭 (Virtual Circuit Switching)

- 패킷 방식인데 circuit 처럼 동작
- 명시적인 연결 설정 및 해지 과정
- 전화와 유사한 형태
- 연결성 (connection-oriented) 모델이라고도 불림
- 각 스위치는 가상회선 테이블을 유지한다.
- entry 주소는 unique하다. (실제 주소 X)
- virtual circuit number와 output port number를 저장한다.
- 연결 설정시 생기고, 연결 해지시 사라진다.
가상회선 대 데이터그램

- circuit 방식은 QS가 일정하다.
- 패킷 방식은 QS 일정 X
- 의외로 장애가 굉장히 자주 발생한다. 장애가 발생할 때 stateful은 구축한 상태 정보가 오히려 메모리 부담이 된다. 안정된 상황에서는 나쁘지 않지만, 동적 환경에서는 오히려 독이 된다.
- stateless : 상태 정보를 저장하지 않는 방법 (IP internet이 사용)
- soft state : 상태는 저장하되 일정 시간이 지나도 안 쓰면 삭제한다.
소스 라우팅 (Source Routing)
- 주소는 발신지로부터 목적지까지 경로의 포트 번호를 포함하고 있다.
- 경로를 전송하는 방식
- 수신자 - 발신자가 전송 책임을 갖는다.
- 인터넷의 옵션으로 제공하지만 실제로 사용하진 않는다.

스위치 성능
- 스위치는 범용 워크스테이션으로 만들 수 있다. 특수 목적 하드웨어로 만들지 여부는 차후에 고려한다.
- 총 대역폭 (Aggregate bandwidth)
- I/O 버스 대역폭의 1 / 2
- 용량은 스위치에 연결된 모든 호스트에서 공유된다.
- 800Mbps 버스는 100Mbps 포트 4개를 지원할 수 있다.
- 초당 처리할 수 있는 패킷 수
- 스위치의 패킷 처리 능력 (단위 시간당)
- pps (packet per second) - 패킷 크기에 영향 받는다.
- 초당 15000 - 100000 패킷 정도
- Ex. 64-byte 패킷이라면 7.69 - 512.Mbps를 의미한다.
- 작은 패킷을 스위치하는 경우 성능을 결정하는 요소가 된다.
- CPU interrupt 실행 시간에는 차이가 있다.
- 스위치의 패킷 처리 능력 (단위 시간당)
- 스위치의 병목 지점
- I/O 버스
- 초당 처리할 수 있는 패킷 수

728x90
'School Lecture Study > 컴퓨터 통신' 카테고리의 다른 글
| 17. 셀 스위칭 (Cell Switching): ATM (0) | 2022.12.27 |
|---|---|
| 16. 브리지(Bridge) 및 LAN 스위치 (0) | 2022.12.27 |
| 14. 네트워크 어댑터 (0) | 2022.12.20 |
| 13. 무선 LAN (2) | 2022.12.20 |
| 12. 토큰링 (802.5, FDDI) (0) | 2022.12.20 |